Je vais réaliser vos schémas électriques sur Autocad électrique

5,0 (5)

Ventes 6

Proposé par TsioryRANAIVOSON Dimensionnement et Réalisation des schémas électriques professionnels avec Excel et AutoCAD ⚡ Ventes au total 7

"Des schémas électriques précis, réalisés pour les plus grandes entreprises… et bientôt pour vous !"
Fort de mon expérience dans la conception de plans électriques pour des grandes entreprises et des particuliers, je mets mon expertise à votre service pour des schémas AutoCAD détaillés, conformes aux normes et parfaitement optimisés.
Plans sur mesure pour vos projets industriels et résidentiels
Fiabilité et précision, comme l’exigent les grandes entreprises
Respect des délais pour une exécution sans retard

**QUI SUIS-JE ? **
Avec cette double expertise en conception et maintenance, je maîtrise l’ensemble du cycle de vie des systèmes électriques et solaires, de l’étude à l’exploitation.
Chargé d’études – 1 an
Conception et dimensionnement de systèmes électriques et solaires
Réalisation de schémas électriques détaillés pour entreprises et particuliers.
Dimensionnement des systèmes solaires sous PVsyst et Excel pour garantir une performance optimale.
Calepinage et implantation de panneaux solaires sur toiture avec AutoCAD pour une intégration efficace et esthétique.
Analyse des besoins clients et proposition de solutions techniques adaptées.
Technicien de Maintenance – 1 an
Maintenance et optimisation des infrastructures télécoms – Camusat Madagascar
Intervention sur les équipements électriques et énergétiques des sites télécoms.
Diagnostic et maintenance préventive/corrective des systèmes électriques et solaires.
Optimisation du fonctionnement des installations pour réduire les pannes et améliorer la fiabilité.
Collaboration avec les équipes techniques pour assurer la continuité de service et la satisfaction client.

LES FABRICANTS DE PRODUITS SOLAIRES (ONDULEURS ET/OU BATTERIES) AVEC LESQUELS J'AI DÉJÀ TRAVAILLÉ :
- VICTRON ENERGY
- SMA
- GROWATT
- HUAWEI
- FRONIUS
- SUNGROW
**CE QUE JE PROPOSE**
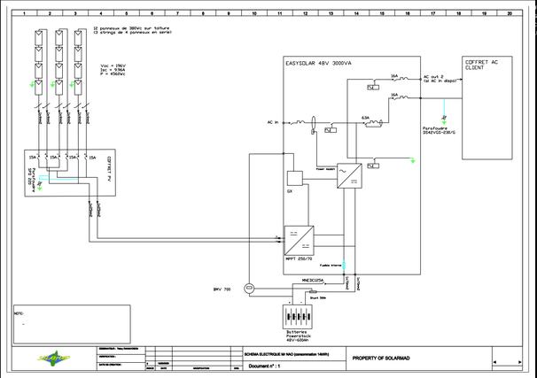
Je vous propose un schéma électrique unifilaire bien détaillé de votre résidence ou votre propre entreprisse avec le logiciel « AUTOCAD Electrical » suivant la norme NFC 15-100. Le schéma sera disponible sous forme PDF ou DWG.

Mon offre de service est la suivante :
1. Pour 29,36 $US (2 jours de réalisation - 2 retouches)
Schéma électrique unifilaire de votre installation électrique ou solaire pour une surface 25m2 que ce soit :
• Logement ou maison individuelle
• Espace professionnel ou site commercial (hôtel, hôpital, …)
2. Pour 70,47 $US (4 jours de réalisation - 3 retouches)
Schéma électrique unifilaire de votre installation électrique ou solaire pour une surface moins de 150m2 que ce soit :
• Logement ou maison individuelle
• Espace professionnel ou site commercial (hôtel, hôpital, restaurant, …)
3. Pour 176,17 $US (6 jours de réalisation - 5 retouches)
Schéma électrique unifilaire de votre installation électrique ou solaire pour une surface plus de 150m2 que ce soit :
• Logement ou maison individuelle
• Espace professionnel ou site commercial (hôtel, hôpital, restaurant, …)
• Site industriel
**DE QUOI AI-JE BESOIN ? **
Pour la conception de votre schéma électrique, j’ai besoin de savoir :
Quels types d’installation vous disposez ?
Pour une installation solaire, les équipements que vous utilisez dans votre installation comme la marque, puissance et type de votre panneau solaire (Monocristallin ou polycristallin ou amorphe), votre régulateur de charge (MPPT ou PWM), onduleur solaire, batterie solaire (AGM, GEL, OPzS, Lithium, …) ainsi que le nombre de ces appareils. Vous pouvez me l’envoyer sous forme PDF ou des images.
Si vous aurez besoin d’une personnalisation au niveau du cartouche comme votre logo d’entreprise ou autres, surtout n’hésitez pas de me le dire.

J’espère que les schémas électriques que je vous fournirai seront conformes à vos attentes.
Merci pour votre attention et à bientôt

Je vais réaliser vos schémas électriques sur Autocad électrique

Ce vendeur n’est pas assujetti à la TVA.

Personnaliser le service

  1. Commandez le
    service de votre choix
    à l’un de nos vendeurs
  2. Échangez par chat sur le
    site jusqu’à la livraison en toute sécurité
  3. Le vendeur n’est payé que
    lorsque vous validez la livraison

Avis des clients

5,0 (5)

Micheline__971

Merci énormément travail de qualité et rapide de surcroît

TsioryRANAIVOSON

C'est plutôt à moi de vous remercier de m'avoir fait confiance pour la réalisation de votre projets. Bonne continuation et à bientôt.

Dom311

Super rapide et travail bien fait

TsioryRANAIVOSON

Merci pour votre avis positif. Je reste à votre disposition pour les projets à venir. À bientôt!

Redouane2013

Professionnel rien a dire

TsioryRANAIVOSON

Merci pour votre avis positif. Je reste à votre disposition pour les projets à venir. Bonne continuation!

À propos du vendeur

TsioryRANAIVOSON

Performance
Commande en cours 0 Ventes au total 7 Vendeur depuis mars 2025
Commande en cours 0 Ventes au total 7 Vendeur depuis mars 2025

Bonjour et bienvenue ! Moi, c’est Tsiory. J'ai 28 ans, passionné par l’électricité et les énergies renouvelables. Fort de mon expertise, je vous propose un service de dimensionnement photovoltaïque sur le logiciel le plus utilisé dans le monde professionnel "Microsoft Excel" ainsi que la réalisation de schémas électriques sous "AutoCAD Electrical", alliant précision, rigueur et conformité aux normes. Que ce soit pour des armoires électriques, des systèmes d’automatisation ou des schémas de câblage, je veille à fournir des dessins clairs, détaillés et optimisés pour une utilisation fluide. Mon objectif est de vous simplifier la tâche en vous livrant un travail soigné et directement exploitable. Pourquoi me faire confiance ? ✅ Une expertise solide en électricité et énergies renouvelables ✅ Un travail rapide, précis et conforme à vos attentes ✅ Une communication fluide pour un service personnalisé ✅ Une satisfaction garantie avec un rendu professionnel Votre projet mérite une dimensionnement bien precise avec des schémas électriques de qualité. Confiez-moi vos projets et avançons ensemble vers des solutions électriques efficaces et bien pensées. Merci pour votre confiance et à très bientôt ! 😊🔧📐

En savoir plus